Mechanische Integration
Nachfolgend wird der grundlegende, mechanische Aufbau eines EasyFeeder Kamera-Systems beschrieben.
Hinweis: Bitte beachten Sie hinsichtlich der mechanischen Integration des Feedersystem unbedingt die Vorgaben seitens Asyril lt."Mechanische Integration" !
Warnung: Werden die Vorgaben hinsichtlich der mechanischen Integration nicht beachtet, ist es möglich, dass das Feeding-System nicht oder nur eingeschränkt funktioniert!
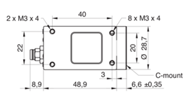
Hinweis: Arbeitsabstand = Abstand zwischen Kalibrierplatte und Objektivunterkante
| Beispielhafter Aufbau | Kamera Arbeitsabstand / Montage |
|---|---|
|
|
|